Plano-convex lenses are used to collimate diverging light or to focus collimated light.
Product Details
A plano-convex lens is a positive focal length lens with a plane on one side and a convex on the other. It is used to concentrate parallel light, or convert point light sources into parallel light. Widely used in telescope, microscope, sight, laser, optical fiber and other products.H-K9L (N-BK7) plano-convex lenses are often used to focus parallel light or collimating point light sources and have excellent transmittance from visible to near infrared (350-2000nm).H-k9L is an commonly used optical glass when you do not need the additional advantages of uv melting quartz .In the convergence of light, if the absolute magnification is lower than 0.2 or greater than 5, usually choose plano-convex lens.When the magnification is between 0.2 and 5, a double convex lens is more suitable.To reduce spherical aberration, parallel light should be incident on the surface during focusing.
Sunday Optical Plano convex lens diameter range from 0.35mm to 600mm, Material can be optical glass, Quartz, Sapphire, CaF2, MgF2, Infrared glass such as ZnSe, CaF2, Ge, Si.

Specifications:
Structure: Convex, Concave,Meniscus,Achromatic.
Material: Optical Glass,BK7,H-K9L,UVFS,Germanium,Silicon,CaF2,MgF2,ZnSe,ZnS,Sapphire.
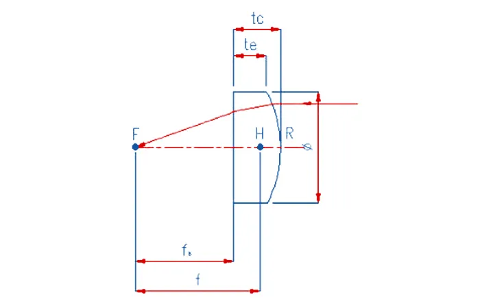
Dia.0.35-700mm
Dia.Tol.+0.00/-0.01mm
Surface Quality:10-5
Surface Irregulatiry:λ/10 @632.8nm or customer design
Thickness tolerance:+0/-0.02mm
Clear Aperture>90% of diameter
Chamfer:0.05-0.5mm
Centeration<30 arcsec
Coating:Single Mag2, Multiple Layers AR Coating
A: 350-650nm
B: 650-1050nm
C: 1050-1585nm
D: Customer Design
BK7 Standard Plano Convex Lens
| No. | EFL(mm) | Dia.(mm) | Radius(mm) | Material | Tc(mm) | Te(mm) |
| SD1A24 | 4 | 2 | 2.073 | BK7 | 1.26 | 1.00 |
| SD1A33 | 3 | 3 | 1.55 | Bk7 | 2.20 | 1.04 |
| SD1A35 | 5 | 3 | 2.592 | BK7 | 1.48 | 1.00 |
| SD1A60 | 10 | 6 | 5.18 | BK7 | 3.00 | 2.00 |
| SD1A62 | 12 | 6 | 6.22 | BK7 | 2.77 | 2.00 |
| SD1A65 | 15 | 6 | 7.77 | BK7 | 2.61 | 2.00 |
| SD1A63 | 30 | 6 | 15.55 | BK7 | 1.77 | 1.50 |
| SD1A10B | 25.065 | 10 | 13.01 | BK7 | 4.00 | 3.00 |
| SD1A105 | 15 | 12.7 | 7.78 | BK7 | 5.30 | 2.00 |
| SD1A122 | 20 | 12.7 | 10.37 | Bk7 | 4.20 | 2.00 |
| SD1A125 | 50 | 12.7 | 25.92 | Bk7 | 2.59 | 1.80 |
| SD1A120 | 100 | 12.7 | 51.83 | BK7 | 2.20 | 1.80 |
| SD1A182 | 25 | 18 | 12.96 | Bk7 | 5.44 | 1.80 |
| SD1A183 | 30 | 18 | 15.55 | BK7 | 4.67 | 1.80 |
| SD1A185 | 50 | 18 | 25.92 | Bk7 | 3.42 | 1.80 |
| SD1A255 | 50 | 25 | 25.92 | BK7 | 5.21 | 2.00 |
| SD1A257 | 75 | 25 | 38.88 | BK7 | 4.06 | 2.00 |
| SD1A251 | 100 | 25 | 51.83 | BK7 | 3.83 | 2.00 |
| SD1A24A | 25.4 | 25.40 | 13.17 | BK7 | 11.70 | 2.00 |
| SD1A245 | 50 | 25.40 | 25.92 | BK7 | 5.30 | 2.00 |
| SD1A247 | 75 | 25.40 | 38.88 | Bk7 | 4.13 | 2.00 |
| SD1A240 | 100 | 25.40 | 51.83 | Bk7 | 3.60 | 2.00 |
| SD1A305 | 50 | 30 | 25.92 | BK7 | 7.28 | 2.50 |
| SD1A307 | 75 | 30 | 38.87 | BK7 | 5.51 | 2.50 |
| SD1A310 | 100 | 30 | 51.83 | BK7 | 4.72 | 2.50 |
| SD1A320 | 200 | 30 | 103.66 | BK7 | 3.60 | 2.50 |
| SD1A586 | 60 | 50.80 | 31.098 | BK7 | 16.15 | 3.00 |
| SD1A587 | 75 | 50.80 | 38.88 | BK7 | 12.44 | 3.00 |
| SD1A580 | 100 | 50.80 | 51.83 | BK7 | 9.65 | 3.00 |
| SD1A582 | 200 | 50.80 | 103.66 | BK7 | 6.21 | 3.00 |
| SD1A583 | 300 | 50.80 | 155.49 | BK7 | 5.09 | 3.00 |
| SD1A585 | 500 | 50.80 | 259.15 | BK7 | 4.25 | 3.00 |
| SD1A751 | 100 | 75 | 51.83 | BK7 | 19.05 | 3.00 |
| SD1A755 | 150 | 75 | 77.75 | BK7 | 12.64 | 3.00 |
| SD1A752 | 200 | 75 | 103.66 | BK7 | 10.02 | 3.00 |
Copyright © Changchun Sunday Optics Co., Ltd. All Rights Reserved | Sitemap